DESKA ELEWACYJNA UTK 28X70 KLASA AB MODRZEW SYBERYJSKI
0,00 złZa sztukę
DESKA ELEWACYJNA W JODEŁKĘ PO PILE FREZUJĄCEJ UYL 22X195 KLASA AB ŚWIERK
Za sztukę
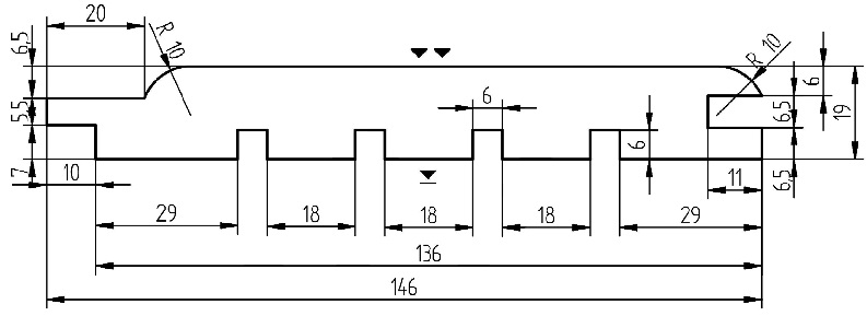
DESKA ELEWACYJNA SOFTLINE IMPREGNOWANA UTP 19X146 KL. AB CLB-3 ŚWIERK
Dostępność w magazynach
Za sztukę
Surowiec: świerk skandynawski
Modyfikacja: impregnacja ciśnieniowa (patrz zakładka technologia -> impregnacja próżniowociśnieniowa)
- Opis
- Informacje dodatkowe
- Zapytaj o produkt







